|
一、使用條件 VW系列分配器適用于公稱壓力為20MPa雙線式干油集中潤滑系統中。它在兩條供油主管交替的供油壓力作用下,直接由供油的壓力控制活塞動作給油,完成向潤滑點定量分配潤滑脂的功能。 該型雙線分配器上、下面均設有出油口,分配器活塞正反向動作,分別從上面和下面的出油口排出潤滑劑。還可以從指示桿的動作直接觀察分配器的工作情況,同時還可通過調整螺釘在規定的范圍內方便地調整各個出油口的出油量。
| |
| 二、技術參數 |
|
|
型 號 |
公稱壓力MPa |
動作壓力MPa |
給油mL/循環 |
調整螺釘每轉一圈調整量ml |
|
VW-10 |
20 |
≤1.5 |
0.03-0.3 |
0.03 |
|
VW-30 |
≤1.2 |
0.2-1.2 |
0.07 |
|
VW-50 |
≤1.0 |
0.6-5.0 |
0.14 | |
| 適用介質為錐入度不低于265(25℃,150g)1/10mm潤滑脂(NLGI0#~1#)或粘度等級大于N68的潤滑油;使用環境溫度為-10℃~80℃,使用介質為潤滑油時,可在10MPa 壓力下使用。 |
| |
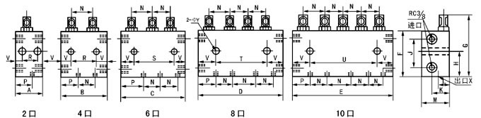
| 三、外形尺寸 |
 |
|
型號 |
A |
B |
C |
D |
E |
F |
G |
H |
J |
K |
L |
M |
N |
P |
Q |
R |
S |
T |
U |
V |
X |
Y |
|
VW-10 |
38 |
63 |
88 |
113 |
/ |
60 |
88 |
33 |
38 |
39 |
26.5 |
46 |
25 |
19 |
22 |
47 |
72 |
97 |
/ |
8 |
Rc1/8 |
7 |
|
VW-30 |
48 |
80 |
112 |
144 |
176 |
60 |
101 |
33 |
38 |
39 |
26.5 |
46 |
32 |
24 |
27 |
59 |
91 |
123 |
155 |
10.5 |
|
VW-50 |
50 |
87 |
124 |
161 |
/ |
79 |
135.5 |
50.5 |
57 |
48 |
30 |
57 |
37 |
25 |
29 |
66 |
103 |
140 |
/ |
10.5 |
Rc1/4 |
9 | |
| |
| 四、使用說明 |
1、必須在規定的環境下使用規定的介質。 2、在灰塵大、潮濕、環境惡劣的場合下使用,應配防護罩。 3、給油量的調整應在指示桿縮回去的狀態下進行,調整完畢后將鎖緊螺絲擰緊。 4、在分配器上下對應出油口間設有合二為一的出油結構,易改奇數出油,使用時只需將孔內的螺釘擰出,把上或下不用的那個出口用R1/4 螺塞封堵即可。 5、與分配器接觸的面應光滑平整,安裝螺栓不宜擰得過緊,以免影響正常動作。 |
| |
| 五、型號說明 |
 |
| |
六、訂貨須知 分配器使用環境溫度在-10℃~+80℃以外的必須在訂貨合同中注明,以便供貨時使用耐低、高溫油封。 |
| |